Enli Inc would like to announce a low-cost and low-power consumption module which has all of the Wi-Fi functionalities. It is a highly-integrated IEEE 802.11 a/b/g/n/ac MAC/Baseband/RF WLAN single chip. For Wireless LAN(WLAN)operation. The integrated module provides SDIO interface for Wi-Fi . The module provides simple legacy and 20MHz/40MHz/80MHz co-existence mechanisms to ensure backward and network compatibility.
The wireless module complies with IEEE 802.11 a/b/g/n/ac standard and it can achieve up to a speed of 433.3Mbps with single stream in 802.11ac draft to connect to the wireless LAN. The integrated module provides SDIO interface for Wi-Fi, UART / PCM interface for Bluetooth.
This compact module is a total solution for a combination of Wi-Fi + BT technologies. The module is specifically developed for Smart phones and Portable devices.
Wi-Fi Protocol
IEEE 802.11 ac/a/b/g/n
Bluetooth version
Bluetooth 4.2
Interface
Form Factor:
Electrical Signal:Wi-Fi:SDIO / Bluetooth:UART
Operating Frequency
2.400~2.4835 GHz (2.4G band)
5.15~5.85 GHz (5G band)
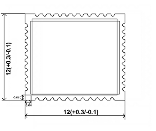
Deminsion (mm)
L x W x T: 12 x 12 x 2.0 (typical) mm
Operating Temperature Range
Operating Temperature: -40°C to 85°C
Storage Temperature: -55°C to 125°C
Driver
Andriod/Windows/Linux
Chipset Offical Driver
Avaliable by requested.
Power – TX
Sensitivity – RX
Wi-Fi
802.11a:
13 dBm@54Mbps
802.11b:
16 dBm@11Mbps
802.11g:
15 dBm@54Mbps
802.11n(2.4GHz):
20MHz:
14 dBm@MCS7
40MHz:
14 dBm@MCS7
802.11n(5GHz):
20MHz:
12 dBm@MCS7
40MHz:
12 dBm@MCS7
802.11ac:
80MHz:
10 dBm@MCS9
802.11a:
-69dBm@54Mbps
802.11b:
-85dBm@11Mbps
802.11g:
-72dBm@54Mbps
802.11n(2.4GHz):
20MHz
-69dBm@MCS7
40MHz
-67dBm@MCS7
802.11n(5GHz):
20MHz
-66dBm@MCS7
40MHz
-62dBm@MCS7
802.11ac:
20MHz
-63 dBm@MCS8
40MHz
-58 dBm@MCS9
80MHz
-54 dBm@MCS9
Bluetooth
0 ≤ Output Power ≤ +5 ; Class I Device
< 0.1% BER at -90dBm

USA

EU Region

Japan

Canada
Above Certifications are under evaluation, please contact us for further information.